發布時間:2021-12-06 19:40:49 作者:顯揚科技
顯揚科技是慧靈夾爪官方代理商,提供穩定可靠慧靈夾爪,以及原廠售后、保修服務。顯揚科技已為清華大學、浙江大學、上海交通大學,以及眾多中小型企業等提供了上百個慧靈夾爪,獲得了客戶的高度好評,客戶滿意度極高。
慧靈 Z-EFG-L電動夾爪是國內領先的內部集成伺服系統的電動夾爪,完美替代了空壓機+過濾器+電磁閥+節流閥+氣動夾爪,Z-EFG-L擁有700 萬次使用壽命,與日本傳統氣缸保持一致;同時Z-EFG-L電爪支持柔性夾持,可夾取易碎易變形物品,如試管、雞蛋等,也可以在狹小空間完成夾取任務,可用于上下料搬運,零件裝配等工作。
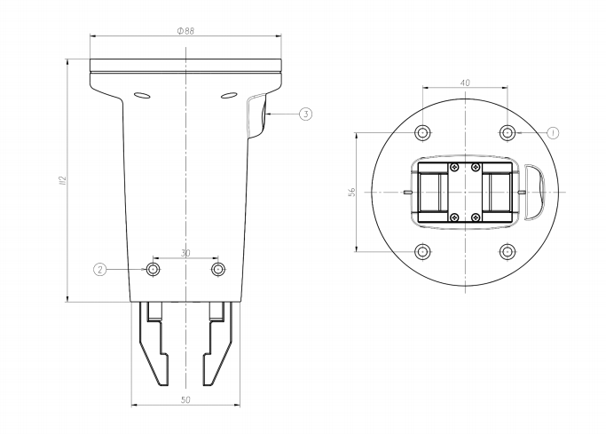
慧靈 Z-EFG-L電動夾爪的尺寸安裝圖:

①法蘭盤安裝孔 4*M4
②夾爪安裝孔 4*M3
③出線孔
慧靈 Z-EFG-L電動夾爪的電氣參數 :
1. 額定電壓 24±2V
2. 電流 0.2A
3. 峰值電流 1A
當控制堅持與控制張開都有效或者都無效時,夾爪無動作,并且無保持力。

慧靈 Z-EFG-L電動夾爪的應用場景:

慧靈 Z-EFG-L電動夾爪的詳細參數:

顯揚科技專注研發并產業化高速高清三維機器視覺設備、智能協作機器人系統,使命是“讓人類高效地用好機器人”。目前,顯揚科技自主研發的三維機器視覺兼容多種品牌的機器人并已成功應用于食品、電器、陶瓷、物流、教育科技、新零售等行業。此外,顯揚科技生態系統包括以下品牌:UR優傲協作機器人 、AUBO遨博移動機器人、Franka Emika 協作機器人、艾利特Elite協作機器人、Kuka iiwa 協作機器人、ABB工業機器人、海康工業鏡頭 、海康工業相機、伯朗特工業機器人、 愛普生Epson工業機器人、 robotiq夾爪 、robotiq真空吸盤、robotiq腕部相機、慧靈機器人電爪 、大寰機器人電爪、研華工控機、超恩工控機、創想三維3D打印機 、Mir AGV、機器人關節、精密機械加工服務。
顯揚(深圳)
深圳市福田保稅區英達利科技數碼園B棟205號
顯揚(佛山)
佛山市南海區獅山鎮廣工大數控裝備協同創新研究院A座507
顯揚(蘇州)
張家港市塘橋鎮張家港節能環保創新園A區E幢6樓
微信公眾號
合作咨詢
電話:0755-83215213
聯系人:18670025215
郵箱:jim@hinyeung.com